
Buderus solarni kompleti združujejo perfektno kombinacijo inovativne tehnologije in najnovejših materialov. Domišljeni so do najmanjše podrobnosti zato se na njih lahko zanesete.
Ogrevanje sanitarne vode in stanovanjskih prostorov s sončno energijo je okolju prijazno in ekonomično saj sonce za podarjeno energijo ne pošilja računa.
Sprejemnike sončne energije (sončne kolektorje) Logasol SKN 3.0 odlikuje robustna tehnika in atraktivna cena. Zaradi dolge življenske dobe in kakovosti so idealni za solarno pripravo tople sanitarne vode.
Učinkovitost sprejemnika sončne energije je odvisna od selektivnega nanosa. Bakreni absorber sprejemnikov Buderus Logasol SKN 3.0 ima visoko selektivno prevleko, izdelano po postopku črnega eloksiranja s kromom, ki se je v 25-letnem obdobju najbolje obnesla. Ta selektivni nanos omogoča absorbcijo velikega dela sončnega sevanja in istočasno zmanjša emisijo toplotnega sevanja. "Harfasta" izvedba absorberja še poveča učinkovitost SSE. robustno solarno steklo odlikuje zelo visok transmisijski faktor, kar pomeni, da prepušča posebej veliko sončne svetlobe za posebej veliko energije.
[btn_povprasevanje]

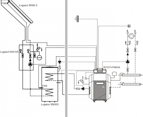
Buderus solarni paketi Topas ponujajo najsodobnejšo tehnologijo po ugodni ceni za komplet! Paket za pripravo sanitarne vode vsebuje visoko zmogljive sprejemnike sončne energije (sončni kolektor) Logasol SKN 3.0 v kombinaciji z bivalentnim bojlerjem Logalux SM in vse potrebne hidravlične in regulacijske komponente.
Če nameravate poleg sanitarne vode ogrevati tudi stanovanjske prostore, pa je na voljo kombinacija s kombiniranim hranilnikom toplote Logalux P750S.
Solarni paketi so primerni za vse vrste strešnih kritin, od klasičnih strešnikov do bobrovca, tegole, valovitk in pločevinastih streh.
Izdelki v kategoriji » Solarni sistemi
Toplotne črpalke Daikin Altherma s strokovno montažo
Smo pooblaščeni monter in serviser Buderus sistemov ogrevanja
Pooblaščeni servis Bosch toplotne tehnike, peči in ostalih rešitev za dom ter prodaja in montaža sistemov za ogrevanje Bosch.

Toplotne črpalke Daikin Altherma s strokovno montažo